
蝶閥
閥門首頁 > 產品展示 > 蝶閥 > 





電動襯氟蝶閥又開關型和智能型二種,襯氟蝶閥與電動執行機構配套,輸入控制信號(4~20mADC或1~5VDC)及單相電源即可控制運轉,具有功能強、體積小、輕便宜人、性能可靠、配套簡單、流通能力大,特別適合于截至是粘稠、含顆粒、纖維性質的場合。目前該蝶閥廣泛應用于食品、環保。輕工、石油、造紙、化工、教學和科研設備、電力等行業的工業自動控制系統中。
1、本閥采用雙偏心結構,具有越管越緊的密封功能,密封性能可靠。
2、密封副材料選用不不銹鋼和丁腈耐油橡膠配對,使用壽命長。
3、四氟密封即可位于閥體上,也可以位于蝶板上,可適用不同特點的截至,供用戶選擇。
4、蝶板采用框架結構,強度高,過流面積大,流阻小。
5、整體烤漆、能有效地防止銹蝕且只要更換密封閥座密封材料,就可使用不同介質。
6、本電動蝶閥具有雙向密封功能,安裝時不受介質流向的控制,也不受空間位置的影響,可在任何方向安裝。
7、本閥結構獨特,操作靈活,省力,方便。
| 公稱通徑DN(mm) | 50~500 | 50~500 | |
|---|---|---|---|
| 公稱壓力PN(MPa) | 0.6 | 1.0 | 1.6 |
| 密封試驗(MPa) | 0.66 | 1.1 | 1.76 |
| 強度試驗(MPa) | 0.9 | 1.5 | 2.4 |
| 適用溫度 | 丁腈橡膠:-40℃~90℃ 氟橡膠:-20℃~200℃ | ||
| 適用介質 | 水、空氣、天然氣、油品及弱腐蝕性流體 | ||
| 泄漏率 | 符合GB/T13927-92標準 | ||
| 驅動方式 | 電動 | ||
| 可配電動執行器 | JL系列、JLQ系列 | ||
| 零部件 | 材料 |
|---|---|
| 閥體 | WCB、QT450-10、HT200、HT250、1Cr18Ni9 |
| 蝶板 | WCB、QT450-10、HT200、HT250、1Cr18Ni9 |
| 閥軸 | 2Cr13 |
| 密封面 | 四氟 |
| 填料 | 柔性石墨 |
| 制造標準 | GB/T122387-89 |
|---|---|
| 法蘭標準 | GB9113-2000、GB17241.6-1998 |
| 結構長度標準 | GB12221-89 |
| 檢驗標準 | GB/T13927-92 |
一、①電動襯氟蝶閥產品名稱與型號②電動襯氟蝶閥口徑③是否帶附件以便我們的為您正確選型。
二、若已經由設計單位選定上海湖泉的電動襯氟蝶閥型號,請按電動襯氟蝶閥型號直接向我司銷售部訂購。
三、當使用的場合非常重要或環境比較復雜時,請您盡量提供設計圖紙和詳細參數,由我們的湖泉閥門專家為您審核把關。
感謝您訪問我們的網站【http://www.xfjiujiao.com/】,如有任何疑問.您可以致電給我們,我們一定會盡心盡力為您提供優質的服務
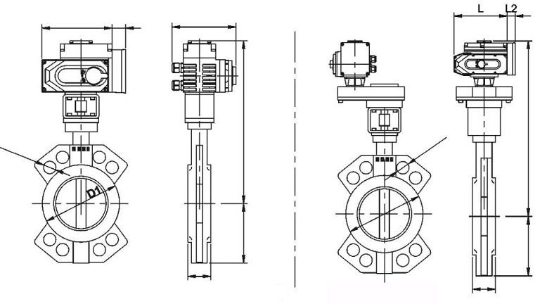
| 通徑 | L | L2 | B | B1 | B2 | H1 | H2 | D2 | Z-ΦD |
執行器機構選配 (常溫常壓) |
|
|---|---|---|---|---|---|---|---|---|---|---|---|
| 50 | 161 | 40 | 145 | 83.5 | 42.6 | 70 | 297 | 125 | 4-18 | JL-005 | JLQ-005 |
| 65 | 161 | 40 | 145 | 83.5 | 45.6 | 80 | 310 | 145 | 4-18 | JL-005 | JLQ-005 |
| 80 | 161 | 40 | 163 | 75 | 45.6 | 92 | 331 | 160 | 8-18 | JL-008 | JLQ-008 |
| 100 | 188 | 40 | 163 | 75 | 51.6 | 107 | 348 | 180 | 8-18 | JL-010 | JLQ-010 |
| 125 | 188 | 40 | 211 | 92.5 | 55.6 | 121 | 428 | 210 | 8-18 | JL-015 | JLQ-015 |
| 150 | 268 | 40 | 211 | 92.5 | 55.6 | 134 | 447 | 240 | 8-22 | JL-020 | JLQ-020 |
| 200 | 268 | 40 | 211 | 92.5 | 59.6 | 170 | 481 | 295 | 8-22 | JL-040 | JLQ-050 |
| 250 | 268 | 40 | 211 | 92.5 | 67.6 | 208 | 520 | 355 | 12-26 | JL-060 | JLQ-060 |
| 300 | 268 | 40 | 211 | 92.5 | 77.6 | 240 | 548 | 410 | 12-26 | JL-080 | JLQ-080 |
| 350 | 268 | 40 | 211 | 92.5 | 79 | 265 | 523 | 470 | 16-26 | JL-100 | JLQ-120 |
| 400 | 268 | 40 | 211 | 92.5 | 105 | 297 | 615 | 525 | 16-30 | JL-200 | JLQ-200 |
| 450 | 268 | 40 | 250 | 119 | 112 | 331 | 819 | 585 | 20-30 | JL-300 | JLQ-300 |
| 500 | 268 | 40 | 250 | 119 | 129 | 361 | 847 | 650 | 20-33 | JL-400 |
JLQ-400 |

上一篇:D941X/D971X智能電動調節蝶閥 / 下一篇:電動蝶閥多少錢dn80